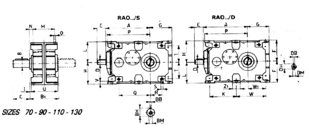
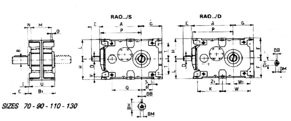
این مدل گیربکس با قابلیت انتقال قدرت در دو جهت متعامد طراحی شده است و دارای کیفیت عملکرد بالایی است و دارای قابلیت های زیر می باشد :

  • قابلیت نصب روی پایه در جهات مختلف

  • قابلیت ارائه شافت خروجی گیربکس به صورت توپر و توخالی

  • امکان ارائه نسبت های تبدیل بالا با توجه به امکان حضور سه مرحله چرخ دنده داخل گیربکس

جدول ابعادی

 

 

 

جدول توان و گشتاور و نسبت های تبدیل گیربکس های مستقیم

table 1
TABEL2
TABLE3
RAOTABEL
RAOTABEL5