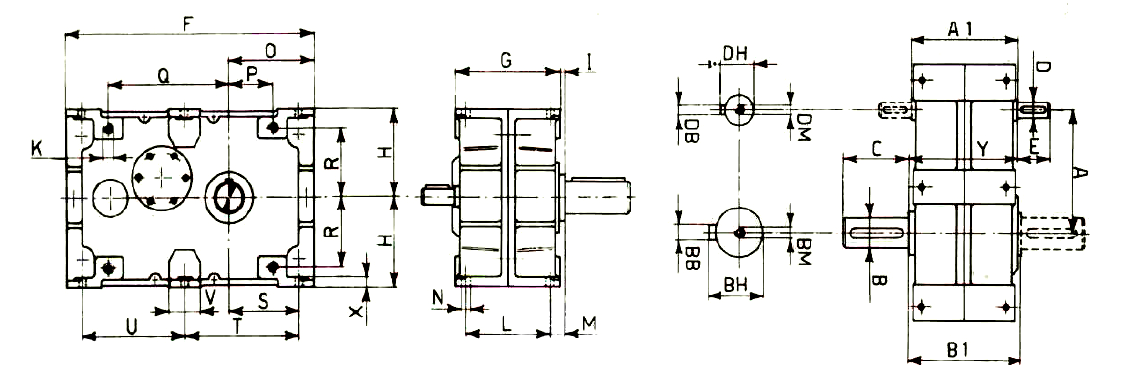
این گیربکس یکی از کارآمدترین انواع گیربکس در صنایع انتقال مواد و همزن ها می باشد و دارای قابلیت های زیر است :
این گیربکس دارای ظرفیت توان نامی بالا می باشد و با توجه به امکان استفاده سه مرحله چرخ دنده و دارای نسبت های تبدیل بالا می باشد
قابلیت نصب بر روی پایه در جهات مختلف
امکان جابجایی محورهای ورودی و خروجی در قالب S , Z
امکان ارائه شافت خروجی به صورت شافت توپر و توخالی
دارای چرخ دنده های سنگ حورده























